華為的成功已經成為了中國各行各業企業的學習樣板,眾多企業和企業家在以各種方式學習華為。如何學習華為,學華為哪個階段,學華為什么,如何學以致用這幾個核心命題是成功學華為的關鍵。
百思特上百位來自華為不同發展時期的高端顧問,有豐富的不同時期華為變革、業務運作和管理的實踐經驗,能夠幫助中國企業深度學華為,學到華為成功的精髓。百思特也是率先將華為的變革經驗和管理體系向騰訊、惠普、中國移動、廣核集團、飛通、海大、邁瑞等等大量優秀企業成功移植的專業咨詢機構,助力一大批企業提升了行業地位和核心競爭力。
百思特基于咨詢實踐和華為的深度研究,形成了系統性的學習華為的解決方案,幫助中國企業和企業家擺脫了對華為零散認知,以偏概全、囫圇吞棗的學習方式,獨特研究了基于華為“井岡山”、“延安”、“北平”不同階段的發展特點和學習要點,從本質上歸納提煉了華為的成功之道。百思特學習華為的解決方案的服務內容包含:
管理成熟度對標評估
變革管理經驗和模式引入
戰略到執行體系打通BLM / DSTE
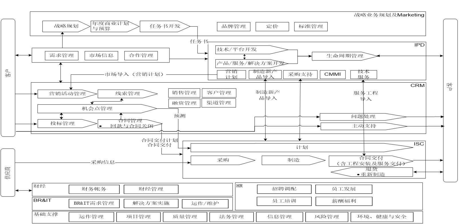
打造流程化組織及流程再造:DSTE / MTL / IPD / ITL / ISC/ ITR / IFS
營銷能力與平臺建設:解決方案銷售五環十四招、客戶開發九招致勝等等
流程管理與IT建設
企業文化與領導力建設
人力資源體系建設
效率與管控平臺建設:內控體系、文秘平臺等等
專項能力建設:業務連續性、質量成本等等
百思特學習華為解決方案的核心理念是構建“以客戶為中心”的作戰方式,建設“以奮斗者為本”的組織激活機制,在此基礎上以變革管理驅動企業系統性構建端到端的業務流程,將能力建在組織上,實現企業的可持續發展。百思特學習華為解決方案中融匯了大量的最前沿的管理體系、方法論和技術,并將這些技術融入到可執行可操作的流程和模板、IT中,最終落腳到企業市場競爭的作戰體系。

